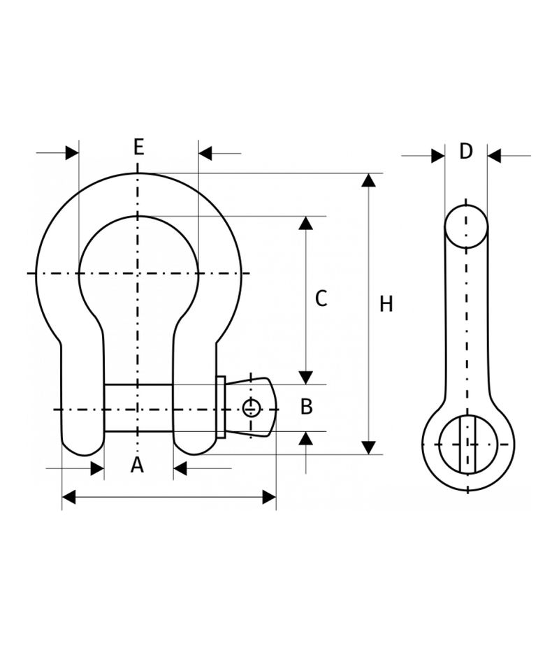
Скоба винтовая омегообразная. G209 6,5 т, размер 7/8 (артикул 389) Скобы такелажные омегообразные и с прямым профилем типа G209, G210, G2130, G2150 имеют отверстия для установки в них грузового штифта и непосредственно штифт в виде болта с гайкой либо вкручивающийся в тело скобы.
В основании болта имеется отверстие для установки в него шплинта, препятствующего самопроизвольному отвинчиванию и сбросу гайки (G2130, G2150).
Такелажные скобы применяются в качестве соединителей канатных и цепных ветвей, а также в качестве соединительных элементов между точками крепления на грузе и грузозахватными приспособлениями грузоподъемного механизма. Возможность быстрого монтажа и демонтажа такелажных скоб сделало их достаточно популярными приспособлениями, применяемыми при производстве грузоподъемных и такелажных работ.
Такелажные скобы изготавливаются из легированной стали с закалкой и имеют коэффициент запаса прочности 4:1. Поверхность скоб оцинкованная.
Диапазон рабочих температур -40+100°C.
Технические характеристики
| Грузоподъемность | 6,5 т |
|---|---|
| Диаметр болта | 25,4 мм |
| Форма | омегаобразная |
| Вид штифта | с внутренней резьбой |
| Типоразмер | 7/8 " |
| Вес | 1,53 кг |
| Подробные технические характеристики смотрите в паспорте изделия » | |
*Информация на сайте носит справочный характер и не является публичной офертой. Характеристики, комплект поставки и внешний вид товара могут отличаться или быть изменены производителем без уведомления. Для получения актуальной информации обращайтесь к менеджерам.

Отзывы
Отзывов пока нет.